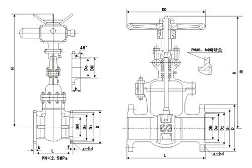
NKZ41H真空闸阀

该阀门适用于工作温度≤425℃(铬钼钢材NKZ44Y型为≤550℃),工作介质为水、蒸汽或空气的管路上,作为启闭装置;尤其适用于火电厂汽机冷凝和真空负压系统,起真空隔离密封作用。
真空闸阀由普通手动闸阀改进而来,区别在于真空闸阀的填料密封处多加装一个真空密封环,具有自胀压紧作用。比普通闸阀的气密封性能更好。
| 公称通径 DN/mm Nominal diameter |
试验压力/MPa Seal test | ||
|
壳体强度试验 |
上密封试验 Back seal |
密封试验 Seal test |
|
| 1.0 | 1.1 | 1.1 | |
| 1.6 | 1.8 | 1.8 | |
| 2.5 | 2.8 | 2.8 | |
| 4.0 | 4.4 | 4.4 | |
| 6.4 | 7.0 | 7.0 | |
| 10.O | 11.0 | 11.O | |
| 产品类型 Product type | 适用介质 Applicable medium | 适用温度/℃ Applicable temperature | ||
|
水、蒸汽、空气 Water,Stram.Air |
≤425 | ||
|
水、蒸汽、空气 Water,Stram.Air |
≤550 |
| 零件名称 Part name |
阀体、阀盖 Body Bonnet |
阀杆 Valve stem |
阀板 Wedge gate |
密封面 Sealing face |
阀杆螺母 Yoke nut |
填料 Packing |
紧固件 Fastener |
||
|
WCB | 2Gr13 | 25 | H:合金钢 H:alloy steel |
铝青铜 Al bronze |
膨胀复合石墨 Expanding compound graphite |
优质碳钢 High-grade carbon steel |
||
|
铬钼钢 Cr.M0 steel |
20Cr1M01VA 38CrMoAIA |
铬钼钢 Cr.Mo steel |
Y:硬质合金 Y:carbide alloy |
铬钼钢 Cr.Mo steel |
真空闸阀主要尺寸/mm Main dimensions NKZ41H-10/NKZ941Y-10I NKZ44H-10/NKZ944Y-10I

|
公称 通径 |
主要外形尺寸及连接尺寸(mm) |
||||||||||||
|
L |
D |
D1 |
D2 |
b |
f |
z-d |
H |
H1 |
H2 |
D0 |
手动(kg) |
电动(kg) |
|
|
50 |
250 |
160 |
125 |
100 |
18 |
3 |
4-18 |
350 |
400 |
640 |
220 |
25 |
72 |
|
65 |
265 |
180 |
145 |
120 |
20 |
3 |
4-18 |
375 |
450 |
670 |
240 |
31 |
74 |
|
80 |
280 |
195 |
160 |
135 |
20 |
3 |
4-18 |
433 |
528 |
720 |
280 |
40 |
86 |
|
1OO |
300 |
215 |
180 |
155 |
22 |
3 |
8-18 |
502 |
620 |
800 |
320 |
55 |
94 |
|
125 |
325 |
245 |
21O |
185 |
24 |
3 |
8-18 |
612 |
753 |
905 |
360 |
75 |
100 |
|
150 |
350 |
280 |
240 |
210 |
24 |
3 |
8-23 |
676 |
847 |
966 |
360 |
100 |
12 9 |
|
200 |
400 |
335 |
295 |
265 |
24 |
3 |
8-23 |
820 |
1039 |
1100 |
400 |
150 |
174 |
|
250 |
450 |
390 |
350 |
320 |
26 |
4 |
12-23 |
969 |
1245 |
1220 |
450 |
240 |
254 |
|
300 |
500 |
440 |
400 |
368 |
28 |
4 |
12-23 |
1142 |
1472 |
1527 |
500 |
310 |
294 |
|
350 |
550 |
500 |
46O |
428 |
28 |
4 |
16-23 |
1280 |
1450 |
1665 |
55O |
420 |
38O |
|
400 |
600 |
565 |
515 |
482 |
3O |
4 |
16-25 |
1452 |
1887 |
1870 |
600 |
600 |
930 |
|
450 |
650 |
615 |
565 |
532 |
30 |
4 |
20-25 |
1541 |
2011 |
1946 |
700 |
850 |
1235 |
|
500 |
700 |
670 |
620 |
585 |
32 |
4 |
20-25 |
1676 |
2181 |
2190 |
700 |
1100 |
1356 |
|
600 |
800 |
780 |
725 |
685 |
36 |
5 |
20-30 |
2000 |
2600 |
2510 |
800 |
1700 |
1830 |
|
700 |
900 |
8 9 5 |
840 |
800 |
40 |
5 |
24-30 |
2200 |
2900 |
2810 |
800 |
2100 |
2385 |
|
800 |
1000 |
1010 |
950 |
905 |
44 |
5 |
24-34 |
2360 |
3160 |
2950 |
800 |
2900 |
3100 |
真空闸阀主要尺寸/mm Main dimensions NKZ41H-16/NKZ941Y-16I NKZ44H-16/NKZ944Y-16I
|
公称 通径 |
主要外形尺寸及连接尺寸(mm) |
||||||||||||
|
L |
D |
D1 |
D2 |
b |
f |
z-d |
H |
H1 |
H2 |
D0 |
手动(kg) |
电动(kg) |
|
|
50 |
250 |
160 |
125 |
100 |
16 |
3 |
4-18 |
350 |
400 |
640 |
220 |
25 |
79 |
|
65 |
265 |
180 |
145 |
120 |
18 |
3 |
4-18 |
375 |
450 |
67O |
240 |
31 |
85 |
|
80 |
280 |
195 |
160 |
135 |
20 |
3 |
8-18 |
433 |
528 |
720 |
280 |
40 |
94 |
|
100 |
300 |
215 |
180 |
155 |
20 |
3 |
8-18 |
502 |
620 |
800 |
320 |
55 |
99 |
|
125 |
325 |
245 |
210 |
185 |
22 |
3 |
8-18 |
612 |
753 |
905 |
360 |
75 |
139 |
|
150 |
350 |
280 |
240 |
210 |
24 |
3 |
8-23 |
676 |
847 |
966 |
360 |
100 |
154 |
|
200 |
400 |
335 |
295 |
265 |
26 |
3 |
12-23 |
820 |
1039 |
1100 |
400 |
150 |
210 |
|
250 |
450 |
405 |
355 |
320 |
30 |
3 |
12-25 |
969 |
1245 |
1220 |
450 |
240 |
300 |
|
300 |
500 |
460 |
410 |
375 |
30 |
4 |
12-25 |
1142 |
1472 |
1527 |
500 |
310 |
410 |
|
350 |
550 |
520 |
470 |
435 |
34 |
4 |
16-25 |
1280 |
1450 |
1665 |
550 |
420 |
548 |
|
400 |
600 |
580 |
525 |
485 |
36 |
4 |
16-30 |
1452 |
1887 |
1870 |
600 |
600 |
732 |
|
450 |
650 |
640 |
585 |
545 |
40 |
4 |
20-30 |
1541 |
2011 |
1946 |
700 |
850 |
982 |
|
500 |
700 |
705 |
650 |
608 |
44 |
4 |
20-34 |
1676 |
2181 |
2190 |
700 |
1100 |
1345 |
|
600 |
800 |
840 |
770 |
718 |
48 |
5 |
20-41 |
2000 |
2600 |
2510 |
800 |
1700 |
2180 |
|
700 |
900 |
910 |
840 |
788 |
50 |
5 |
24-41 |
2200 |
2900 |
2810 |
800 |
2100 |
2550 |
|
800 |
1000 |
1020 |
950 |
898 |
52 |
5 |
24-41 |
2360 |
3160 |
2950 |
800 |
2900 |
3380 |
真空闸阀主要尺寸/mm Main dimensions NKZ41H-25/NKZ941Y-25I NKZ44H-25/NKZ944Y-25I
|
公称 |
主要外形尺寸及连接尺寸(mm) |
||||||||||||
|
L |
D |
D1 |
D2 |
b |
f |
z-d |
H |
H1 |
H2 |
D0 |
手动 |
电动 |
|
|
50 |
250 |
160 |
125 |
100 |
20 |
3 |
4-18 |
35O |
400 |
640 |
220 |
25 |
79 |
|
65 |
265 |
180 |
145 |
120 |
22 |
3 |
8-18 |
375 |
450 |
67O |
240 |
31 |
85 |
|
80 |
280 |
195 |
60 |
135 |
22 |
3 |
8-18 |
433 |
528 |
720 |
280 |
40 |
94 |
|
100 |
300 |
230 |
190 |
160 |
24 |
3 |
8-23 |
502 |
62O |
800 |
320 |
60 |
104 |
|
125 |
325 |
270 |
220 |
188 |
28 |
3 |
8-25 |
612 |
753 |
905 |
360 |
83 |
147 |
|
150 |
350 |
300 |
250 |
218 |
30 |
3 |
8-25 |
676 |
847 |
966 |
360 |
110 |
164 |
|
200 |
400 |
360 |
310 |
278 |
34 |
3 |
12-25 |
82O |
1039 |
1100 |
400 |
164 |
224 |
|
250 |
450 |
425 |
37O |
332 |
3 6 |
3 |
12-30 |
969 |
1245 |
1220 |
450 |
260 |
320 |
|
300 |
5a0 |
485 |
430 |
390 |
40 |
4 |
16-30 |
1142 |
1472 |
1527 |
500 |
345 |
445 |
|
350 |
55O |
55O |
490 |
448 |
44 |
4 |
16-34 |
1280 |
1450 |
1665 |
550 |
470 |
598 |
|
400 |
600 |
610 |
550 |
505 |
48 |
4 |
16-34 |
1452 |
1887 |
1870 |
600 |
690 |
822 |
|
450 |
650 |
660 |
600 |
555 |
50 |
4 |
20-34 |
1541 |
2011 |
1946 |
700 |
920 |
1052 |
|
500 |
700 |
730 |
660 |
610 |
52 |
4 |
20-41 |
1676 |
2181 |
2190 |
700 |
1200 |
1445 |
|
600 |
800 |
840 |
770 |
718 |
56 |
5 |
20-41 |
2000 |
2600 |
2510 |
800 |
1700 |
2180 |
|
700 |
900 |
955 |
875 |
815 |
60 |
5 |
24-48 |
2200 |
2900 |
281O |
800 |
2300 |
275O |
|
800 |
1000 |
1070 |
990 |
930 |
64 |
5 |
24-48 |
2360 |
3160 |
2950 |
800 |
3100 |
3580 |
真空闸阀主要尺寸/mm Main dimensions NKZ41H-40/NKZ941Y-40I NKZ44H-40/NKZ944Y-40I
|
公称 |
主要外形尺寸及连接尺寸(mm) |
||||||||||||||
|
L |
D |
D1 |
D2 |
D6 |
b |
f |
f2 |
z-d |
H |
H1 |
H2 |
D0 |
手动(Kg) |
电动(kg) |
|
|
50 |
250 |
160 |
125 |
100 |
88 |
2O |
3 |
4 |
4-18 |
350 |
400 |
640 |
240 |
27 |
81 |
|
65 |
280 |
180 |
145 |
120 |
110 |
22 |
3 |
4 |
8-18 |
385 |
460 |
67O |
280 |
38 |
92 |
|
80 |
310 |
195 |
160 |
135 |
121 |
22 |
3 |
4 |
8-18 |
443 |
538 |
72O |
320 |
50 |
104 |
|
100 |
350 |
230 |
190 |
160 |
150 |
24 |
3 |
4.5 |
8-23 |
512 |
630 |
800 |
360 |
68 |
122 |
|
125 |
400 |
270 |
220 |
188 |
176 |
2 8 |
3 |
4.5 |
8-25 |
627 |
768 |
905 |
360 |
98 |
152 |
|
150 |
450 |
300 |
250 |
218 |
204 |
30 |
3 |
4.5 |
8-25 |
691 |
862 |
966 |
400 |
150 |
210 |
|
200 |
550 |
375 |
320 |
282 |
260 |
38 |
3 |
4.5 |
12-30 |
840 |
1059 |
1100 |
450 |
240 |
300 |
|
250 |
650 |
445 |
385 |
345 |
313 |
42 |
3 |
4.5 |
12-34 |
994 |
1270 |
1220 |
500 |
350 |
45O |
|
300 |
750 |
510 |
450 |
408 |
364 |
46 |
4 |
4.5 |
16-34 |
1172 |
1502 |
1527 |
550 |
510 |
613 |
|
350 |
850 |
570 |
510 |
465 |
422 |
52 |
4 |
5 |
16-34 |
130 |
1480 |
1665 |
600 |
720 |
848 |
|
400 |
950 |
655 |
585 |
535 |
474 |
58 |
4 |
5 |
16-41 |
1502 |
1937 |
1870 |
700 |
1150 |
1282 |
真空闸阀主要尺寸/mm Main dimensions NKZ41H-64 NKZ941Y-64I
|
公称通径 |
主要外形尺寸及连接尺寸(mm) |
||||||||||||||
|
L |
D |
D1 |
D2 |
D6 |
b |
f |
f2 |
z-d |
H |
H1 |
H2 |
D0 |
手动(kg) |
电动(kg) |
|
|
50 |
250 |
175 |
135 |
105 |
88 |
26 |
3 |
4 |
4-23 |
375 |
425 |
665 |
280 |
32 |
86 |
|
65 |
280 |
200 |
160 |
130 |
110 |
28 |
3 |
4 |
8-23 |
410 |
485 |
695 |
320 |
47 |
1O1 |
|
80 |
310 |
21O |
17O |
140 |
121 |
30 |
3 |
4 |
8-23 |
467 |
563 |
745 |
360 |
62 |
116 |
|
100 |
350 |
250 |
200 |
168 |
150 |
32 |
3 |
4.5 |
8-25 |
557 |
655 |
877 |
360 |
85 |
139 |
|
125 |
400 |
295 |
240 |
202 |
176 |
36 |
3 |
4.5 |
8-30 |
657 |
782 |
977 |
400 |
130 |
190 |
|
150 |
450 |
340 |
280 |
240 |
204 |
38 |
3 |
4.5 |
8-34 |
730 |
880 |
1050 |
400 |
195 |
255 |
|
200 |
550 |
405 |
345 |
300 |
2 60 |
44 |
3 |
4.5 |
12-34 |
880 |
1080 |
1305 |
450 |
370 |
473 |
|
250 |
650 |
470 |
400 |
352 |
313 |
48 |
3 |
4.5 |
12-41 |
1080 |
1380 |
1496 |
550 |
505 |
633 |
|
300 |
750 |
530 |
460 |
412 |
364 |
54 |
4 |
5 |
16-41 |
1252 |
1552 |
1666 |
600 |
700 |
828 |
|
350 |
850 |
595 |
525 |
475 |
422 |
60 |
4 |
5 |
16-41 |
1380 |
1730 |
1796 |
700 |
900 |
1032 |
|
400 |
950 |
67O |
585 |
525 |
474 |
66 |
4 |
5 |
16-48 |
1580 |
1980 |
2115 |
700 |
1550 |
1795 |
真空闸阀主要尺寸/mm Main dimensions NKZ41H-100 NKZ941Y-100I
|
公称通径 |
主要外形尺寸及连接尺寸(mm) |
||||||||||||||
|
L |
D |
D1 |
D2 |
D 6 |
b |
f |
f2 |
z-d |
H |
H1 |
H2 |
D0 |
手动(kg) |
电动(kg) |
|
|
50 |
250 |
195 |
145 |
112 |
88 |
28 |
3 |
4 |
4-25 |
375 |
425 |
665 |
320 |
38 |
92 |
|
65 |
280 |
220 |
170 |
138 |
110 |
32 |
3 |
4 |
8-25 |
410 |
485 |
695 |
360 |
50 |
104 |
|
80 |
310 |
23O |
180 |
148 |
121 |
34 |
3 |
4 |
8-25 |
467 |
563 |
745 |
360 |
72 |
126 |
|
1OO |
350 |
265 |
210 |
172 |
150 |
38 |
3 |
4.5 |
8-30 |
557 |
655 |
877 |
400 |
83 |
143 |
|
125 |
400 |
310 |
250 |
210 |
176 |
42 |
3 |
4.5 |
8-34 |
657 |
782 |
1047 |
400 |
155 |
255 |
|
150 |
450 |
350 |
290 |
250 |
204 |
46 |
3 |
4.5 |
8-34 |
730 |
880 |
1125 |
450 |
210 |
313 |
|
200 |
550 |
430 |
36O |
312 |
260 |
54 |
3 |
4.5 |
12-41 |
880 |
1080 |
1290 |
500 |
405 |
533 |
|
250 |
650 |
500 |
430 |
382 |
313 |
60 |
3 |
4.5 |
12-41 |
1080 |
1380 |
1536 |
600 |
550 |
682 |
|
300 |
750 |
585 |
500 |
442 |
3 64 |
70 |
4 |
4.5 |
16-48 |
1252 |
1552 |
1802 |
700 |
950 |
1195 |
|
350 |
850 |
655 |
560 |
498 |
422 |
76 |
4 |
5 |
16-54 |
1380 |
1730 |
1930 |
700 |
1500 |
1750 |
|
400 |
950 |
715 |
620 |
558 |
474 |
80 |
4 |
5 |
16-48 |
1580 |
1980 |
2220 |
800 |
1700 |
2150 |

